Международный клуб владельцев и любителей Нива Тревел, Легенда, Шевроле Нива и Лада 18+





 [ Сообщений: 94 ]  На страницу Пред.    След.
Автор Сообщение
 
Не в сети
 Заголовок сообщения: Re: Техно 1.8 после Шнивы GLC.
Сообщение Добавлено: 18 мар 2026, 18:22  
Участник
Участник

    15
  •  142
  • 48

  •  02 мар 2026, 16:36

  •  Екатеринбург

Блог: Просмотр записи (0)
@aspb , хочешь сказать на 1,8 в генераторе уже не стоит регулятор а он встроен в эбу ?
А на 1,7 от какой именно температуры чего идёт управление ?


Вернуться к началу
 Профиль  
 
 
Не в сети
 Заголовок сообщения: Re: Техно 1.8 после Шнивы GLC.
Сообщение Добавлено: 18 мар 2026, 18:29  
Старожил
Старожил

    615
  •  4096
  • 67

  •  06 дек 2018, 00:20

Блог: Просмотр записи (0)
@aspb , хочешь сказать на 1,8 в генераторе уже не стоит регулятор а он встроен в эбу ?
А на 1,7 от какой именно температуры чего идёт управление ?

В генераторе 1,8 РРН просто другой.
В 1,7 РРН схемотехнически сделан так, что температурный дрейф параметров отдельных элементов схемы приводит к изменению порога срабатывания ключевого транзистора.


Вернуться к началу
 Профиль  
 
 
Не в сети
 Заголовок сообщения: Re: Техно 1.8 после Шнивы GLC.
Сообщение Добавлено: 18 мар 2026, 19:24  
Участник
Участник

    15
  •  142
  • 48

  •  02 мар 2026, 16:36

  •  Екатеринбург

Блог: Просмотр записи (0)
@aspb , понимаю в 1,7 он встроен в генератор а на 1,8 в генераторе только датчик напряжения с которого эбу считывая значения управляет процессом , или он вообще этот датчик напряжения непонятно где стоит фик знает , инфы то нету , и даже схемы


Вернуться к началу
 Профиль  
 
 
Не в сети
 Заголовок сообщения: Re: Техно 1.8 после Шнивы GLC.
Сообщение Добавлено: 18 мар 2026, 19:51  
Старожил
Старожил

    615
  •  4096
  • 67

  •  06 дек 2018, 00:20

Блог: Просмотр записи (0)
@aspb , понимаю ... на 1,8 в генераторе только датчик напряжения

В генераторе 1,8 РРН просто другой.


Вернуться к началу
 Профиль  
 
 
Не в сети
 Заголовок сообщения: Re: Техно 1.8 после Шнивы GLC.
Сообщение Добавлено: 18 мар 2026, 20:46  
Участник
Участник

    15
  •  142
  • 48

  •  02 мар 2026, 16:36

  •  Екатеринбург

Блог: Просмотр записи (0)
Вот он с 1,8 , оказываеться , инфы ничтожно мало


Вложения:
Screenshot_20260318-213823.png
Screenshot_20260318-213823.png [ 183.85 КБ | Просмотров: 333 ]
Вернуться к началу
 Профиль  
 
 
Не в сети
 Заголовок сообщения: Re: Техно 1.8 после Шнивы GLC.
Сообщение Добавлено: 19 мар 2026, 11:09  
Новичок
Новичок

    4
  •  9
  • 49

  •  09 окт 2025, 22:32

  •  Волгоград

Блог: Просмотр записи (0)
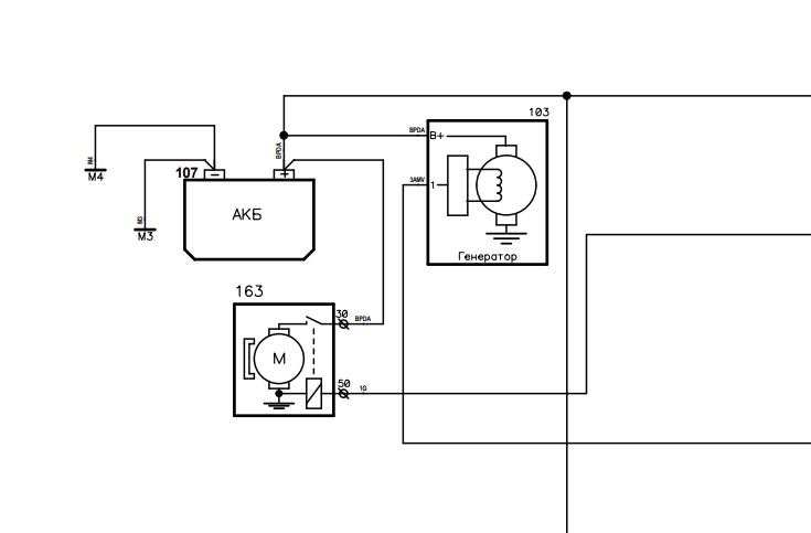
Вот он с 1,8 , оказываеться , инфы ничтожно мало

По схеме от ЭБУ идет соединение на гену, все верно
Вложение:
gen-mg.jpg
gen-mg.jpg [ 27.7 КБ | Просмотров: 270 ]


Вернуться к началу
 Профиль  
 
 
Не в сети
 Заголовок сообщения: Re: Техно 1.8 после Шнивы GLC.
Сообщение Добавлено: 19 мар 2026, 12:15  
Участник
Участник

    15
  •  142
  • 48

  •  02 мар 2026, 16:36

  •  Екатеринбург

Блог: Просмотр записи (0)
@lmv , а есть полная схема от 1,8 ?


Вернуться к началу
 Профиль  
 
 
Не в сети
 Заголовок сообщения: Re: Техно 1.8 после Шнивы GLC.
Сообщение Добавлено: 19 мар 2026, 13:51  
Новичок
Новичок

    4
  •  9
  • 49

  •  09 окт 2025, 22:32

  •  Волгоград

Блог: Просмотр записи (0)
@lmv , а есть полная схема от 1,8 ?

Есть, но она сюда не влазит, по размеру. А зип грузить запрещено.


Вернуться к началу
 Профиль  
 
 
Не в сети
 Заголовок сообщения: Re: Техно 1.8 после Шнивы GLC.
Сообщение Добавлено: 19 мар 2026, 19:39  
Аватара пользователя
Профи
Профи

    14769
  •  22055
  • 50
  •   0

  •  15 июн 2009, 11:35

  •  Нижний Новгород, Сормово

Блог: Просмотр записи (0)
@lmv , а залить на Яндекс-диск, к примеру, и сюда ссылку выложить? :smile_wondering:

_________________
Пионерский Заплыв - 2023


Вернуться к началу
 Профиль  
 
 
Не в сети
 Заголовок сообщения: Re: Техно 1.8 после Шнивы GLC.
Сообщение Добавлено: 19 мар 2026, 19:40  
Аватара пользователя
Профи
Профи

    17139
  •  11972
  • 61
  •   87

  •  20 мар 2010, 16:23

  •  Красноярский край

Блог: Просмотр записи (0)
@Alex_MAN , солидарен.

_________________
Москвич 412 ИЖ 1974 -> Нива 2000 -> ШНива 2010LC


Вернуться к началу
 Профиль Personal album  
 
Показать сообщения за:  Поле сортировки  
Начать новую тему Ответить на тему  [ Сообщений: 94 ]  На страницу Пред.    След.


Кто сейчас на конференции

Сейчас этот форум просматривают: нет зарегистрированных пользователей и гости: 1


Вы не можете начинать темы
Вы не можете отвечать на сообщения
Вы не можете редактировать свои сообщения
Вы не можете удалять свои сообщения
Вы не можете добавлять вложения

Перейти: