Международный клуб владельцев и любителей Нива Тревел, Легенда, Шевроле Нива и Лада 18+

 




 [ Сообщений: 13 ]  На страницу  След.
Автор Сообщение
 
Не в сети
 Заголовок сообщения: Колодка соединительная
Сообщение Добавлено: 30 окт 2025, 17:06  
Участник
Участник

    20
Автор темы
  •  114
  • 46

  •  13 апр 2025, 16:34

Блог: Просмотр записи (0)
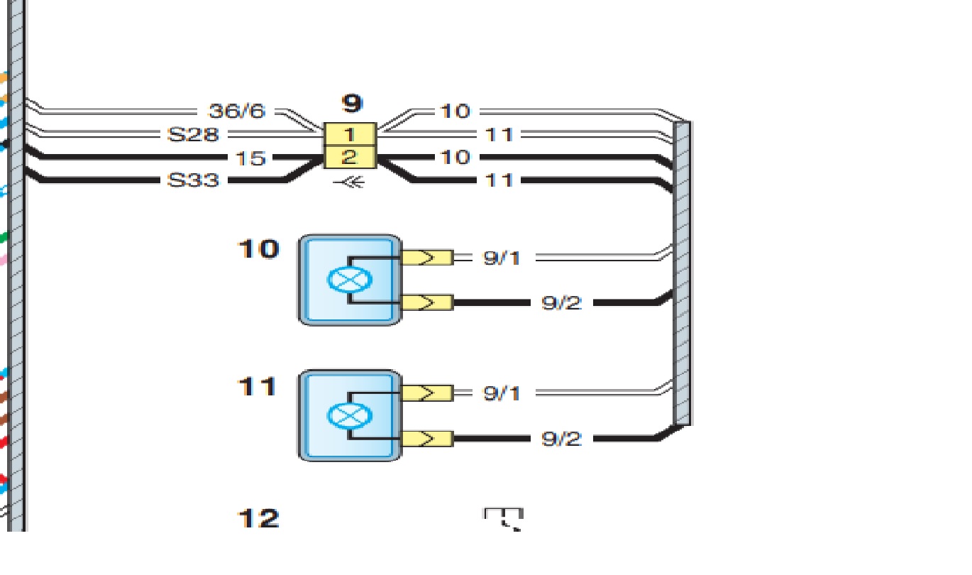
Здравствуйте. Как то можно добраться к этой колодке под №9 не разбирая всю торпеду? Это провода идут на подсветку блока отопителя


Вложения:
контакты.jpg
контакты.jpg [ 108.58 КБ | Просмотров: 405 ]
Вернуться к началу
 Профиль  
 
 
Не в сети
 Заголовок сообщения: Re: Колодка соединительная
Сообщение Добавлено: 30 окт 2025, 19:02  
Старожил
Старожил

    1070
  •  3828
  • 56

  •  23 сен 2017, 19:54

  •  Липецк

Блог: Просмотр записи (0)
@ShNivaR , блок управления отопителем сними и увидишь ее


Вложения:
Screenshot_1.png
Screenshot_1.png [ 252.89 КБ | Просмотров: 386 ]

_________________
RS0Y5-42-02D
Вернуться к началу
 Профиль  
 
 
Не в сети
 Заголовок сообщения: Re: Колодка соединительная
Сообщение Добавлено: 30 окт 2025, 19:56  
Участник
Участник

    20
Автор темы
  •  114
  • 46

  •  13 апр 2025, 16:34

Блог: Просмотр записи (0)
@ShNivaR , блок управления отопителем сними и увидишь ее

но для этого надо тросики снять а их снять надо консоль разобрать, все правильно мыслю?


Вернуться к началу
 Профиль  
 
 
Не в сети
 Заголовок сообщения: Re: Колодка соединительная
Сообщение Добавлено: 31 окт 2025, 07:33  
Аватара пользователя
Резидент
Резидент

    162
  •  483
  • 39
  •   2

  •  28 дек 2013, 22:30

  •  Уфа

Блог: Просмотр записи (0)
Можно снять пластик в ногах водителя и отцепить тросики от заслонки температуры и селектора положений. Снять тросик с рычага рециркуляции можно, если снять центральный дефлектор и залезть туда сверху. После этого можно вытянуть панель вместе с тросами, но сильно лучше не вытаскивать, их потом сложно на место ставить, короткие они

_________________
Мои доработки в шевике
http://www.drive2.ru/r/chevrolet/788095/


Вернуться к началу
 Профиль Personal album  
 
 
Не в сети
 Заголовок сообщения: Re: Колодка соединительная
Сообщение Добавлено: 31 окт 2025, 08:30  
Участник
Участник

    20
Автор темы
  •  114
  • 46

  •  13 апр 2025, 16:34

Блог: Просмотр записи (0)
Можно снять пластик в ногах водителя и отцепить тросики от заслонки температуры и селектора положений. Снять тросик с рычага рециркуляции можно, если снять центральный дефлектор и залезть туда сверху. После этого можно вытянуть панель вместе с тросами, но сильно лучше не вытаскивать, их потом сложно на место ставить, короткие они
вот и получиться что надо полторпеды разобрать!


Вернуться к началу
 Профиль  
 
 
Не в сети
 Заголовок сообщения: Re: Колодка соединительная
Сообщение Добавлено: 31 окт 2025, 09:09  
Старожил
Старожил

    1070
  •  3828
  • 56

  •  23 сен 2017, 19:54

  •  Липецк

Блог: Просмотр записи (0)
@ShNivaR , сними центральные диффузоры и сразу поймешь дотянишься до этой колодки или нет

_________________
RS0Y5-42-02D


Вернуться к началу
 Профиль  
 
 
Не в сети
 Заголовок сообщения: Re: Колодка соединительная
Сообщение Добавлено: 31 окт 2025, 13:32  
Участник
Участник

    20
Автор темы
  •  114
  • 46

  •  13 апр 2025, 16:34

Блог: Просмотр записи (0)
В азбуке написано "Выводим блок из панели приборов и отсоединяем колодку проводов
от переключателя режимов работы вентилятора." а у меня блок даже на сантиметр не отодвигается! тросики видимо не дают
Может можно подсветку от прикуривателя подключить чтобы не разбирать?


Вернуться к началу
 Профиль  
 
 
Не в сети
 Заголовок сообщения: Re: Колодка соединительная
Сообщение Добавлено: 31 окт 2025, 13:56  
Аватара пользователя
Резидент
Резидент

    423
  •  932
  • 64
  •   67

  •  23 мар 2008, 15:32

  •  Белгород, 31Rus

Блог: Просмотр записи (0)
у меня блок даже на сантиметр не отодвигается!

Ты крутилки-то хоть поснимал?

_________________
Работать надо не 12 часов, а головой.
© Стив Джобс


Вернуться к началу
 Профиль Personal album  
 
 
Не в сети
 Заголовок сообщения: Re: Колодка соединительная
Сообщение Добавлено: 31 окт 2025, 14:06  
Участник
Участник

    20
Автор темы
  •  114
  • 46

  •  13 апр 2025, 16:34

Блог: Просмотр записи (0)
AndrewGT писал(а):
у меня блок даже на сантиметр не отодвигается!

Ты крутилки-то хоть поснимал?

Конечно же! Иначе как бы я узнал что подсветка не работает не из-за лампочек?


Вернуться к началу
 Профиль  
 
 
Не в сети
 Заголовок сообщения: Re: Колодка соединительная
Сообщение Добавлено: 31 окт 2025, 15:32  
Участник
Участник

    20
Автор темы
  •  114
  • 46

  •  13 апр 2025, 16:34

Блог: Просмотр записи (0)
Всем спасибо за подсказки! Вот причина не работающей подсветки
Что интересно, + на черном проводе а на розовом - сидит!


Вложения:
2025-10-31 15-43-57.JPG
2025-10-31 15-43-57.JPG [ 39.23 КБ | Просмотров: 243 ]
Вернуться к началу
 Профиль  
 
Показать сообщения за:  Поле сортировки  
Начать новую тему Ответить на тему  [ Сообщений: 13 ]  На страницу  След.

 

Кто сейчас на конференции

Сейчас этот форум просматривают: нет зарегистрированных пользователей и гости: 1


Вы не можете начинать темы
Вы не можете отвечать на сообщения
Вы не можете редактировать свои сообщения
Вы не можете удалять свои сообщения
Вы не можете добавлять вложения

Перейти: