Список форумов Chevy-Niva ФОРУМ ПЕРЕЕХАЛ!
Chevy-Niva
Клуб владельцев и любителей автомобиля Шевроле Нива
 
ГлавнаяГлавная ФорумыФорумы ТемыТемы ФотоальбомФотоальбом ПочтаПочта Chevy-Niva latest topics RSS feedRSS
ПРАВИЛАПРАВИЛА FAQFAQ ПоискПоиск ПользователиПользователи ГруппыГруппы ФлудФлуд
 ВходВход 
Тюнинг, ремонт и сервис Шевроле Нива - Нива777
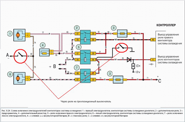
вент
Название изображения: вент
Описание изображения:
Автор: Lebedef
Добавлено: Вс Сен 23, 2007 22:57
Просмотров: 5622
Комментарии: 0

Powered by Photo Album Addon 2.0.51 © 2002-2003 Smartor



Powered by phpBB © phpBB Group
Размещение сайта в интернете olven.su