Список форумов Chevy-Niva ФОРУМ ПЕРЕЕХАЛ!
Chevy-Niva
Клуб владельцев и любителей автомобиля Шевроле Нива
 
ГлавнаяГлавная ФорумыФорумы ТемыТемы ФотоальбомФотоальбом ПочтаПочта Chevy-Niva latest topics RSS feedRSS
ПРАВИЛАПРАВИЛА FAQFAQ ПоискПоиск ПользователиПользователи ГруппыГруппы ФлудФлуд
 ВходВход 
Тюнинг, ремонт и сервис Шевроле Нива - Нива777
Личная фотогалерея пользователя sdiman
Вы можете просматривать персональные галереи других пользователей по ссылке в их профиле
Личная фотогалерея пользователя sdiman
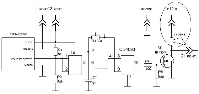
подключение двухзонового датчика удара
Название изображения: подключение датчика
Добавлено: Вт Апр 06, 2010 12:39
Просмотров: 1932
Оценка: Оценок нет
Комментарии: 0
Упорядочить по:  :  
   Список форумов Chevy-Niva -> Фотоальбом -> Личная фотогалерея пользователя sdiman Часовой пояс: GMT + 4
Страница 1 из 1

Powered by Photo Album Addon 2.0.51 © 2002-2003 Smartor



Powered by phpBB © phpBB Group
Размещение сайта в интернете olven.su